服务热线

027-88720060
网站导航
主营产品:
产品展示
当前位置:主页 > 产品展示 >

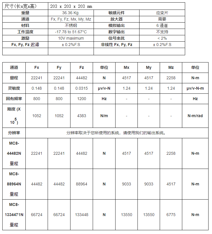
轴力传感器MC8

时间:2021-11-24 16:53
 

Copyright © 武汉弘哲技术有限公司 版权所有  备案号:鄂ICP备2021013570号-1

地址:湖北省武汉市武昌区武珞路36号顺民大厦B座1903室 电话:027-88720060 邮箱:18602745046@qq.com

关注我们

服务热线

027-88720060

扫一扫,关注我们